ИННОВАЦИИ БИЗНЕСУ

ПОДРОБНАЯ ИНФОРМАЦИЯ

Заявку на получение дополнительной информации по этому проекту можно заполнить здесь.

Номер

05-009-04

Наименование проекта

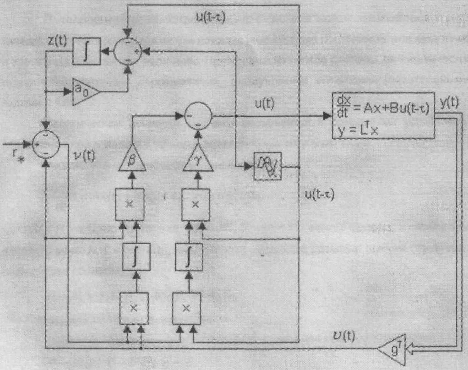
Самонастраивающаяся система управления для объектов с запаздыванием по управлению

Назначение

Для сохранения устойчивости и качества управления при наличии в объекте запаздывания по управлению

Рекомендуемая область применения

Системы автоматического управления, параметры которых неизвестные постоянные или медленно меняющиеся в известных диапазонах величины (системы автоматического управления гидромелиоративными сооружениями, движущимися объектами)

Описание

Результат выполнения научно-исследовательской работы.

Преимущества перед известными аналогами

Аналогом является самонастраивающаяся система управления (авторское свидетельство СССР № 1019400, кл G 05 B 13/02, 1985), недостатком которой является ограниченность функциональных возможностей, связанная с потерей работоспособности

Стадия освоения

Внедрено в производство

Результаты испытаний

Соответствует технической характеристике изделия (устройства)

Технико-экономический эффект

Устойчивость и качество регулирования системы увеличилось в 2 раза

Возможность передачи за рубеж

За рубеж не передаётся

Дата поступления материала

08.12.2006

Инновации и люди

У павильонов Уральской выставки «ИННОВАЦИИ 2010» (г. Екатеринбург, 2010 г.)

Мероприятия на выставке "Инновации и инвестиции - 2008" (Югра, 2008 г.)

Открытие выставки "Малый бизнес. Инновации. Инвестиции" (г. Магнитогорск, 2007 г.)

Демонстрация разработок на выставке "Малый бизнес. Инновации. Инвестиции" (г. Магнитогорск, 2007 г.)