ИННОВАЦИИ БИЗНЕСУ

ПОДРОБНАЯ ИНФОРМАЦИЯ

Заявку на получение дополнительной информации по этому проекту можно заполнить здесь.

Номер

70-052-03

Наименование проекта

Гидравлическая цепь продольной подачи

Назначение

Упрощение конструкции станка, повышение кинематической точности цепи продольной подачи.

Рекомендуемая область применения

Предприятия металлобработки, станкостроительной промышленности, машиностроения и других отраслей

Описание

Результат выполнения технологической разработки

Гидравлическая цепь продольной подачи резьбофрезерного станка, включающая гидроцилиндр, связанный сис­темой трубопроводов с узлами подачи заготовки и инструмента, дополнительно применяется гидравлический шаговый при­вод, состоящий из соединенных между собой системой трубопроводов генератора гидрав­лических импульсов, соединенного посредст­вом приводного зубчатого колеса с приводом вращения заготовки и шагового гидродвига­теля, осуществляющего через ходовой винт продольное перемещение суппурта с фрезер­ной головкой.

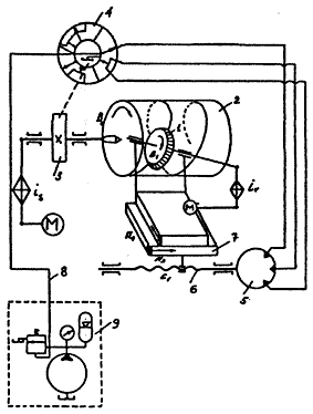
На чертеже представлена схема гидрав­лической цепи продольных подач резьбофре­зерного станка. Цепь включает в себя инструмент 1, заготовку 2, на шпинделе которой закреплено зубчатое колесо 3, от которого получает вращение золотниковая втулка генератора гидравлических импульсов 4, соединенного системой трубопроводов с гидравлическим шаговым двигателем 5, кинематически связанного с ходовым винтом б и осуществляющего продольное перемеще­ние суппорта 7 с фрезерной головкой, при этом рабочая жидкость к генератору гидрав­лических импульсов подводится по трубоп­роводу 8 от насосной установки 9.

Работа станка осуществляется следующим образом. Инструмент получает вращение от электродвигателя через звено настройкиi v. Заготовка вращается от электродвигателя через звено настройкиi s. На шпинделе заготовки закреплено зубчатое колесо 3, приводящее во вращение золотниковую втулку с расчетным числом щелей генератора гидравлических импульсов 4, соединенного системой трубопроводов с гидравлическим шаговым двигателем 5, кинематически свя­занного с ходовым винтом 6 продольной подачи узла инструмента 7.

Преимущества перед известными аналогами

Отличается тем, что цепь дополнительна снабжена связанным с узлом подачи заготовки генератором гадравлических импульсов и связанным с узлом подачи инструмента гидравлическим шаговым двигателем

Стадия освоения

Внедрено в производство

Результаты испытаний

Технология обеспечивает получение стабильных результатов

Технико-экономический эффект

На 24% повышается точность кинематической цепи продольной подачи, на 19% снижается металлоемкость станка

Возможность передачи за рубеж

Возможна передача за рубеж

Дата поступления материала

09.06.2003

Инновации и люди

У павильонов Уральской выставки «ИННОВАЦИИ 2010» (г. Екатеринбург, 2010 г.)

Мероприятия на выставке "Инновации и инвестиции - 2008" (Югра, 2008 г.)

Открытие выставки "Малый бизнес. Инновации. Инвестиции" (г. Магнитогорск, 2007 г.)

Демонстрация разработок на выставке "Малый бизнес. Инновации. Инвестиции" (г. Магнитогорск, 2007 г.)