ИННОВАЦИИ БИЗНЕСУ

ПОДРОБНАЯ ИНФОРМАЦИЯ

Заявку на получение дополнительной информации по этому проекту можно заполнить здесь.

Номер

51-105-02

Наименование проекта

Орудие для поверхностной обработки почвы

Назначение

Сплошная поверхностная обработка почвы при подготовке к посеву и уход за парами.

Рекомендуемая область применения

Сельскохозяйственное производство - почвообрабатывающие орудия.

Описание

Результат выполнения научно-исследовательской работы.

Орудие используется для подготовки почвы к посеву, ухода за парами и пропашными культурами. В качестве рабочих органов применяются плоскорежущие, универсальные культиваторные лапы, бороны и дисковые рабочие органы. В качестве базового орудия используется лущильник ЛДГ-15.

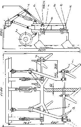
Секция плоскорежущих лап состоит из рамы 1 (см. рисунок), изготовленной из уголка. Заданное заглубление лап обеспечивается опорным колесом 2, которое регулируется по высоте. Основой рамы секции является поперечная балка 3, к которой закреплены кронштейны навески. В нижней части рамы с помощью специальных кронштейнов установлены культиваторные лапы 4 со стойками. В случае необходимости на одной из стоек может устанавливаться гребнеобразователь 15. Кронштейны крепления стоек установлены на квадратных балках 5 держателей. Необходимое заглубление поддерживается с помощью штанг с пружинами, которые воздействуют на раму секции через проушины 6. Лапы второго ряда устанавливаются на балке держателей с помощью кронштейнов держателей 8. Лапы первого ряда удерживаются на нижней части рамы с помощью балки держателей и призм 9. Стойки заднего ряда лап фиксируются в держателях винтами 10. Пружинные штанги фиксируются на раме секции скобами 13 с гайками 11 и шайбами 12. Балка держателей задних лап крепится к раме секции скобами 14. На специальной площадке производится подготовка орудия к работе и регулировка, а окончательная регулировка производится в поле.

Перед началом работы проверяется техническое состояние орудия и надежность крепления всех рабочих органов. На первом проходе проверяется правильность выполненных регулировок и выполнение орудием агротребований. Орудие можно использовать покровного боронования. Для этого используют серийные бороны БЗСС-1,0 с шириной захвата 1 м, что позволяет агрегатировать 18 борон. Для подъема борон используется жесткий треугольник, одной из сторон которого является рама лущильника с приваренными в одной плоскости заводским и новым кронштейнами. Треугольник состоит из двух тяг, сваренных между собой в виде треугольника. Нижняя тяга крепится к заводскому кронштейну одним концом, другим - к поперечному брусу. Верхняя тяга крепится одним концом к новому кронштейну, другим - приваривается к нижней тяге, замыкая треугольник.



Преимущества перед известными аналогами

Простота конструкции, надежность работы, отсутствие обволакивания стоек растительными остатками, высокая производительность.

Стадия освоения

Внедрено в производство

Результаты испытаний

Соответствует технической характеристике изделия (устройства)

Технико-экономический эффект

Повышение производительности на 20%; затраты труда снижаются на 88%; удельный расход топлива снижается на 89%; эксплуатационные расходы снижаются на 110%; приведенные затраты уменьшаются на 115%.

Возможность передачи за рубеж

Возможна передача за рубеж

Дата поступления материала

05.06.2002

Инновации и люди

У павильонов Уральской выставки «ИННОВАЦИИ 2010» (г. Екатеринбург, 2010 г.)

Мероприятия на выставке "Инновации и инвестиции - 2008" (Югра, 2008 г.)

Открытие выставки "Малый бизнес. Инновации. Инвестиции" (г. Магнитогорск, 2007 г.)

Демонстрация разработок на выставке "Малый бизнес. Инновации. Инвестиции" (г. Магнитогорск, 2007 г.)