ИННОВАЦИИ БИЗНЕСУ

ПОДРОБНАЯ ИНФОРМАЦИЯ

Заявку на получение дополнительной информации по этому проекту можно заполнить здесь.

Номер

15-183-02

Наименование проекта

Секционирующие пункты для ВЛ-10 кВ с вакуумным (масляным) выключателем

Назначение

Автоматическое отключение поврежденного участка воздушной линии электропередачи при устойчивых междуфазных коротких замыканий, а также для автоматического включения резервного питания участков сети.

Рекомендуемая область применения

Сети электропередач

Описание

Результат конструкторской разработки.

Секционирующие пункты изготовляются на базе шкафов КРУН-10Л. Шкаф разделен перегородками на четыре отсека: линейного ввода, блока выдвижного выключателя с приводом, линейного вывода и аппаратуры управления и релейной защиты. В отсеке линейного ввода размещаются трансформаторы тока типа ТВК или ТЛМ и трансформаторы напряжения типа ОЛС-0,63/10 или НОМ-10. В отсеке линейного вывода для секционирующего пункта с АВР устанавливается второй комплект трансформаторов напряжения. Шкаф устанавливается на незаглубленном фундаменте высотой 0,8 м.


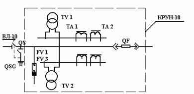
Схема электрических соединений секционирующего пункта

qs- разъединитель;

qsg- заземляющий нож;

tv 1, tv 2- трансформаторы напряжения;

ta1, ta 2 -трансформаторы тока;

qf- выключатель;

fv 1 - fv 3- разрядники.

Для защиты участков линии 6 кВ от междуфазных коротких замыканий предусматривается максимальная токовая защита с обратнозависимой от тока выдержкой времени и токовая отсечка.

Разъединитель устанавливается на опоре ВЛ-6 кВ.

Допускается установка одного трансформатора типа ОЛС или НОМ для секционирующего пункта с вакуумным выключателем.

Управление вакуумным выключателем осуществляется с помощью электромагнитного привода прямого действия с магнитной защелкой. Управление масляным выключателем осуществляется с помощью пружинного привода.

Предусматривается двукратное автоматическое повторное включение (АПВ) выключателя, автоматика включения и отключения обогрева, а также возможность телеуправление выключателем.

Схема секционирующих пунктов предусматривает автоматическое включение резервного(АВР) питания участков линий.

Для предотвращения ошибочных действий обслуживающего персонала при оперативных переключениях предусмотрена механическая блокировка, исключающая возможность производства операций с разъединителями до выкатки выдвижных элементов шкафа, а также подачи напряжения при включенных заземляющих ножах.

Преимущества перед известными аналогами

Установлено оборудование выкатного (выдвижного) исполнения

Стадия освоения

Внедрено в производство

Результаты испытаний

Соответствует технической характеристике изделия (устройства)

Технико-экономический эффект

Срок службы устройства увеличен в 2 раза

Возможность передачи за рубеж

Возможна передача за рубеж

Дата поступления материала

10.07.2002

Инновации и люди

У павильонов Уральской выставки «ИННОВАЦИИ 2010» (г. Екатеринбург, 2010 г.)

Мероприятия на выставке "Инновации и инвестиции - 2008" (Югра, 2008 г.)

Открытие выставки "Малый бизнес. Инновации. Инвестиции" (г. Магнитогорск, 2007 г.)

Демонстрация разработок на выставке "Малый бизнес. Инновации. Инвестиции" (г. Магнитогорск, 2007 г.)