Заявку на получение дополнительной информации по этому проекту можно заполнить здесь.
|
Номер 15-164-02 |
|||||||||||||||||||||||||||||||||||||||||||||||||||||||||||||||||||||||||||||||||||||||
|
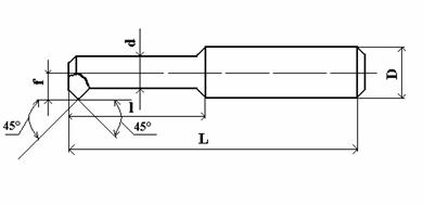
Наименование проекта Резцы с напаяной пластиной из Эльбора-Р для сквозных отверстий |
|||||||||||||||||||||||||||||||||||||||||||||||||||||||||||||||||||||||||||||||||||||||
|
Назначение Резание металлических изделий |
|||||||||||||||||||||||||||||||||||||||||||||||||||||||||||||||||||||||||||||||||||||||
|
Рекомендуемая область применения Обработка металлических деталей |
|||||||||||||||||||||||||||||||||||||||||||||||||||||||||||||||||||||||||||||||||||||||
|
Описание
Результат выполнения конструкторской разработки. Резец на основе сверхтвердого материала Эльбор-Р предназначен для чистового и тонкого точения сквозных отверстий в деталях из закаленных сталей (hrcэ40ё67) и чугунов (hb200ё600) в условиях незначительных ударных нагрузок. Крепление пластины из Эльбора-Р в резце осуществляется пайкой или методом порошковой металлургии.
Рекомендуемыережимы работы резцами из Эльбора-Р
Целесообразность применения охлаждающей жидкости при точении резцами из Эльбора-Р определяется в зависимости от конкретных условий обработки. |
|||||||||||||||||||||||||||||||||||||||||||||||||||||||||||||||||||||||||||||||||||||||
|
Преимущества перед известными аналогами Резцы могут перетачиваться до 7 раз |
|||||||||||||||||||||||||||||||||||||||||||||||||||||||||||||||||||||||||||||||||||||||
|
Стадия освоения Внедрено в производство |
|||||||||||||||||||||||||||||||||||||||||||||||||||||||||||||||||||||||||||||||||||||||
|
Результаты испытаний Соответствует технической характеристике изделия (устройства) |
|||||||||||||||||||||||||||||||||||||||||||||||||||||||||||||||||||||||||||||||||||||||
|
Технико-экономический эффект Стойкость инструмента увеличена на 10-20% |
|||||||||||||||||||||||||||||||||||||||||||||||||||||||||||||||||||||||||||||||||||||||
|
Возможность передачи за рубеж Возможна передача за рубеж |
|||||||||||||||||||||||||||||||||||||||||||||||||||||||||||||||||||||||||||||||||||||||
|
Дата поступления материала 03.07.2002 |
|||||||||||||||||||||||||||||||||||||||||||||||||||||||||||||||||||||||||||||||||||||||
У павильонов Уральской выставки «ИННОВАЦИИ 2010» (г. Екатеринбург, 2010 г.)
Мероприятия на выставке "Инновации и инвестиции - 2008" (Югра, 2008 г.)
Открытие выставки "Малый бизнес. Инновации. Инвестиции" (г. Магнитогорск, 2007 г.)
Демонстрация разработок на выставке "Малый бизнес. Инновации. Инвестиции" (г. Магнитогорск, 2007 г.)