ИННОВАЦИИ БИЗНЕСУ

ПОДРОБНАЯ ИНФОРМАЦИЯ

Заявку на получение дополнительной информации по этому проекту можно заполнить здесь.

Номер

70-006-02

Наименование проекта

Гранулятор

Назначение

Улучшение качества гранул.

Рекомендуемая область применения

Предприятия химической, пищевой, медицинской, электротехнической промышленности.

Описание

Результат выполнения научно-исследовательской работы

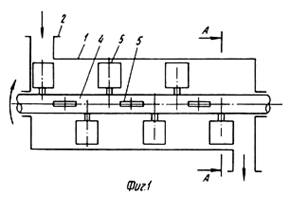
Гранулятор содержит корпус 1, патрубки для загрузки исходной смеси 2 и выгрузки готовых гранул 3, вал 4, закрепленные на нем рабочие органы 5, каждый из которых состоит из стержня 6 и лопатки 7, выполненной в виде изогнутой против вращения вала пластины и снабженной упругим элементом 8, соединяющим ее со стержнем, причем вогнутая поверхность пластины снабжена сменным грузом 9, установленным на периферийной ее части.

Гранулятор работает следующим образом.

Исходный увлажненный порошкообразный материал поступает через патрубок 2 внутрь корпуса 1, где подвергается ударному воздействию рабочих органов 5, закрепленных на валу 4, установленном в корпусе 1 с возможностью вращения. В процессе соударения отдельные частицы материала сближаются между собой, образуя агломераты частиц. Таким образом в процессе гранулирования из исходной смеси матери­алов, находящихся в трех агрегатных состояниях постепенно вытесняются воздух и, частично, влага. Рыхлый увлажненный порошкообразный материал превращается в плотные и твердые гранулы, которые перемещаются по винтовой траектории к выгрузочному патрубку 3.

Гранулы, образованные и предварительно уплотненные в процессе ударного воздействия радиальных жестко закрепленных на валу плоских лопаток в последней стадии обработки попадают под воздействие рабочего органа 5, который состоит из стержня 6 и лопатки 7, выполненной в виде изогнутой против вращения вала пластины и снабженной упругим элементом 8, соединяющим ее со стержнем. На этой стадии производится окончательное уплотнение гранулы при помощи изогнутой, упруго закрепленной лопатки 7. Величина уплотняющего усилия регулируется установкой сменного груза 9 на вогнутой поверхности пластины в ее периферийной части.

Преимущества перед известными аналогами

Отличается тем, что для улучшения качества гранул у одного из рабочих органов со стороны выгрузочного патрубка, лопатка выполнена в виде изогнутой против вращения пластины и снабжена упругим элементом соединяющей ее со стержнем.

Стадия освоения

Внедрено в производство

Результаты испытаний

Технология обеспечивает получение стабильных результатов

Технико-экономический эффект

Позволяет увеличить плотность гранул и насыпной вес продукта в среднем на 7-10 %, разброс значений плотности уменьшится в 1,3-1,5 раза.

Возможность передачи за рубеж

Возможна передача за рубеж

Дата поступления материала

27.09.1999

Инновации и люди

У павильонов Уральской выставки «ИННОВАЦИИ 2010» (г. Екатеринбург, 2010 г.)

Мероприятия на выставке "Инновации и инвестиции - 2008" (Югра, 2008 г.)

Открытие выставки "Малый бизнес. Инновации. Инвестиции" (г. Магнитогорск, 2007 г.)

Демонстрация разработок на выставке "Малый бизнес. Инновации. Инвестиции" (г. Магнитогорск, 2007 г.)