ИННОВАЦИИ БИЗНЕСУ

ПОДРОБНАЯ ИНФОРМАЦИЯ

Заявку на получение дополнительной информации по этому проекту можно заполнить здесь.

Номер

82-066-01

Наименование проекта

Уплотнение соединений наклонной камеры с молотилкой комбайна

Назначение

Ликвидация потери зерна при уборке

Рекомендуемая область применения

Уборка зерновых культур

Описание

Результат выполнения конструкторской разработки.

С целью ликвидации потерь зерна за комбайном надо провести уплотнение всех возможных мест соединения узлов комбайна.

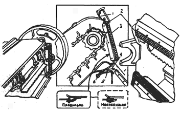
Для соединения наклонной камеры с молотилкой необходимо произвести уплотнение места соединения с помощью уплотнительных приспособлений, представленных на рис. В соединении наклонной камеры с молотилкой необходимо, чтобы козырек 4 см.(см. рис.) переднего фартука грохота за счет прорезиненного ремня-уплотнителя плотно прилегал к поперечному брусу 5 передней связи каркаса молотилки по всей длине. Комбайнеры КСХП «Прогресс» Чебоксарского района предварительно изготавливают ремни-уплотнители, а затем при навеске наклонной камеры правильно их устанавливают в этом соединении. Ширина ремня - 40...45 мм, а толщина - 4...5 мм.

Устанавливая наклонную камеру на каркас молотилки, необходимо, чтобы боковые отливы 3 наклонной камеры и ремни-уплотнители 1,6 были направлены назад и плотно прилегали к сопрягаемым плоскостям.

С целью ликвидации потерь зерна сквозь щели в местах прилегания крышек и люков комбайна устанавливают по всему контуру паралоновые прокладки толщиной 8...10 мм. Такие прокладки устанавливают под крышку молотильного барабана, у смотровых люков барабана, в крышках головок зернового и колосового элеваторов и между переходным патрубком бункера и кожухом шнека.

После того как произвели уплотнение, комбайн ставят на брезент. Затем, во время работы комбайна, на жатку вручную подают хлебную массу в соотношении 1:1,5 в размере 200 кг. Продолжительность подачи- 35...40 сек.

После обмолота этой хлебной массы определяют места потери зерна на брезент и затем устраняют их.

Уплотнения соединений наклонной камеры с молотилкой:

1, 6 - прорезиненные уплотнения; 2 - щитки; 3 - боковой отлив; 4 - козырек верхний;

5 - поперечный брус

Преимущества перед известными аналогами

Ликвидация потерь зерна при уборке

Стадия освоения

Внедрено в производство

Результаты испытаний

Технология обеспечивает получение стабильных результатов

Технико-экономический эффект

Экономия материалов в 1,5 раза

Возможность передачи за рубеж

Возможна передача за рубеж

Дата поступления материала

04.09.2001

Инновации и люди

У павильонов Уральской выставки «ИННОВАЦИИ 2010» (г. Екатеринбург, 2010 г.)

Мероприятия на выставке "Инновации и инвестиции - 2008" (Югра, 2008 г.)

Открытие выставки "Малый бизнес. Инновации. Инвестиции" (г. Магнитогорск, 2007 г.)

Демонстрация разработок на выставке "Малый бизнес. Инновации. Инвестиции" (г. Магнитогорск, 2007 г.)