ИННОВАЦИИ БИЗНЕСУ

ПОДРОБНАЯ ИНФОРМАЦИЯ

Заявку на получение дополнительной информации по этому проекту можно заполнить здесь.

Номер

10-032-01

Наименование проекта

Система обучения и контроля двигательно-слуховой реакции.

Назначение

Позволяет контролировать возможности испытуемых, различать звуковые сигналы и скорость реакции на них.

Рекомендуемая область применения

При подготовке телеграфистов, спортсменов, пилотов, водителей транспорта, в реабилитационных центрах и как прибор индивидуального пользования.

Описание

Результат выполнения научно-исследовательской работы.

Возможна , как схемная, так и программная реализация системы обучения и контроля двигательно-слуховой реакции. В том и другом случае принцип действия системы основан на формировании двух звуковых посылок различной длительности. Соотношение длительностей первой и второй посылок плавно изменяется так, что от групп «точка-тире» звуковые сигналы переходят к группам «тире-точка». При этом существует момент, когда первая и вторая посылки совпадают по длительности. Именно этот момент и должен зафиксировать испытуемый. Степень отклонения зафиксированных показаний от действительных высвечивается на дисплее и служит характеристикой двигательно-слуховой реакции.

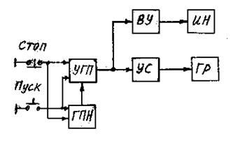
Структурная схема установки приведена на рис. 1.

Кнопкой «Пуск»включается генератор пилообразного напряжения (ГПН) и управляемый генератор посылок (УГП), формирующий последовательности точка-тире. По мере увеличения напряжения с ГПН, соотношение между длительностью посылок изменяется.

Звуковые посылки проходят через усилитель (УС) и воспроизводятся громкоговорителем (ГР).

В момент совпадения длительности посылок испытуемый должен нажать кнопку «Стоп». Напряжение ГПН перестает изменяться и соответственно фиксируется действительная длительность первой и второй посылок. Вычислительное устройство (ВУ) определяет соотношение длительности последних двух посылок в процентах и тем самым двигательно-слуховую реакцию человека, которая высвечивается с помощью цифрового индикатора (дисплея) ИН.

Программно данная система реализована на языке программирования «Бейсик» и совместима с любым современным компьютером.



Система используется для профессиональной подготовки и отбора радиотелеграфистов, спортсменов, пилотов, водителей.



Рис.1. Структурная схема установки обучения и контроля двигательно-слуховой реакции.

Преимущества перед известными аналогами

Достаточно длительная работа на данной установке улучшает двигательно-слуховую реакцию человека.

Стадия освоения

Внедрено в производство

Результаты испытаний

Технология обеспечивает получение стабильных результатов

Технико-экономический эффект

Обеспечивает улучшение профессионального отбора и подготовки пилотов, водителей, радиотелеграфистов, спортсменов на 20-30%.

Возможность передачи за рубеж

Возможна передача за рубеж

Дата поступления материала

09.10.2001

Инновации и люди

У павильонов Уральской выставки «ИННОВАЦИИ 2010» (г. Екатеринбург, 2010 г.)

Мероприятия на выставке "Инновации и инвестиции - 2008" (Югра, 2008 г.)

Открытие выставки "Малый бизнес. Инновации. Инвестиции" (г. Магнитогорск, 2007 г.)

Демонстрация разработок на выставке "Малый бизнес. Инновации. Инвестиции" (г. Магнитогорск, 2007 г.)