ИННОВАЦИИ БИЗНЕСУ

ПОДРОБНАЯ ИНФОРМАЦИЯ

Заявку на получение дополнительной информации по этому проекту можно заполнить здесь.

Номер

47-108-00

Наименование проекта

Предварительный усилитель многопластового микрофона при высокоомной нагрузке

Назначение

Съем электроакустического сигнала внешнего воздействия и выделение электрической составляющей

Рекомендуемая область применения

Согласование мощного усилителя робота с микрофоном

Описание

Результат выполнения конструкторской разработки.

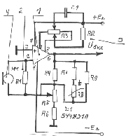
Состоит из операционного усилителя 1 (см. рисунок), входного регулятора 2, регулятора выходного уровня 3, многопластового микрофона 4. Собственный коэффициент усиления микросхемы достаточно велик, поэтому небольшое изменение напряжения на дифференциальном входе вызывает на выходе напряжение, которое через цепи обратной связи компенсирует ток микрофона. При высокоомной нагрузке микрофона устанавливают высокоомный входной регулятор, параллельно к которому подключают микрофон. Отрицательная обратная связь поддерживает малую разность напряжений между полюсами входа, вызывая выходное напряжение такой величины, чтобы компенсировать возникшее на микрофоне сигнальное электрическое напряжение. Выходной уровень регулируется по постоянному току. Входные токи и напряжение стабилизируются от температуры терморезистором.



Преимущества перед известными аналогами

Наличие высокоомного входного регулятора и электроакустической ячейки, выделяющей электрическую составляющую сигнала

Стадия освоения

Внедрено в производство

Результаты испытаний

Соответствует технической характеристике изделия (устройства)

Технико-экономический эффект

Снижение трудоемкости в 1,5 раза

Возможность передачи за рубеж

Возможна передача за рубеж

Дата поступления материала

05.10.2000

Инновации и люди

У павильонов Уральской выставки «ИННОВАЦИИ 2010» (г. Екатеринбург, 2010 г.)

Мероприятия на выставке "Инновации и инвестиции - 2008" (Югра, 2008 г.)

Открытие выставки "Малый бизнес. Инновации. Инвестиции" (г. Магнитогорск, 2007 г.)

Демонстрация разработок на выставке "Малый бизнес. Инновации. Инвестиции" (г. Магнитогорск, 2007 г.)