ИННОВАЦИИ БИЗНЕСУ

ПОДРОБНАЯ ИНФОРМАЦИЯ

Заявку на получение дополнительной информации по этому проекту можно заполнить здесь.

Номер

24-260-00

Наименование проекта

Бесконтактная схема управления электромагнитным вентилем

Назначение

Поддержание заданной температуры пропарочной камеры на растворном узле.

Рекомендуемая область применения

При поддержании заданной температуры пропарочной камеры.

Описание

Результат выполнения технологической разработки.

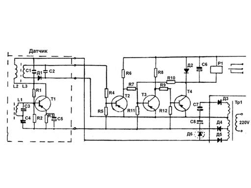
Датчиком служит катушка высокочастотного автогенератора, расположенного в корпусе вентиля вместо удаляемых контактов. Введение сердечника в корпус катушки вызывает срыв генерации, сигнал поступает по проводам в схему регулирования.

Принцип действия схемы. Регулирующая часть состоит из высокочастотного автогенератора с индуктивными обмотками на ферритовых сердечниках (датчиках) и усилителя на Т2, Т3, Т4 (см. рисунок). В коллекторную цепь выходного транзистора Т4 включена обмотка управляющего реле Р1, контакты которого используются для управления объектом регулирования.

Принцип действия регулирующей части основан на срыве и восстановлении генерации при вводе и выводе металлической пластины, жестко связанной с сердечником электромагнитного вентиля, в зазор между контурными катушками автогенератора 1 и 2.


Бесконтактная схема управления электроконтактным вентилем

Преимущества перед известными аналогами

Включение или выключение реле Р1 находятся в прямой зависимости от состояния электромагнитного вентиля.

Стадия освоения

Внедрено в производство

Результаты испытаний

Технология обеспечивает получение стабильных результатов

Технико-экономический эффект

Снижение трудоемкости в 3 раза.

Возможность передачи за рубеж

Возможна передача за рубеж

Дата поступления материала

10.10.2000

Инновации и люди

У павильонов Уральской выставки «ИННОВАЦИИ 2010» (г. Екатеринбург, 2010 г.)

Мероприятия на выставке "Инновации и инвестиции - 2008" (Югра, 2008 г.)

Открытие выставки "Малый бизнес. Инновации. Инвестиции" (г. Магнитогорск, 2007 г.)

Демонстрация разработок на выставке "Малый бизнес. Инновации. Инвестиции" (г. Магнитогорск, 2007 г.)