ИННОВАЦИИ БИЗНЕСУ

ПОДРОБНАЯ ИНФОРМАЦИЯ

Заявку на получение дополнительной информации по этому проекту можно заполнить здесь.

Номер

83-011-00

Наименование проекта

Применение струйных аппаратов в качестве генератора тепла

Назначение

Обогрев жилых, производственных и складских помещений, а также теплиц и других зданий и сооружений

Рекомендуемая область применения

Коммунальное хозяйство

Описание

Разработан тепловой генератор, в основе конструкции которого применен струйный аппарат, преобразующий энергию движущейся жидкости в тепловую, используемую для обогрева в заданных диапазонах температур жилых, производственных и складских помещений, а также теплиц и других зданий и сооружений сельскохозяйственного назначения.

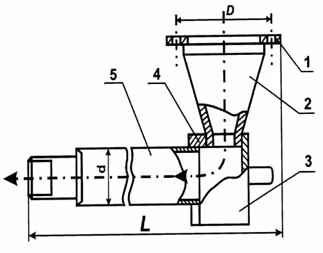
Теплогенератор (рис. 1) состоит из фланца 1, корпуса 3, крышки 4 и трубы 5. В зависимости от площади обогреваемого помещения разработаны 4 типоразмера теплогенератора, способных обогреть от 3 до 45 комнат площадью 16 м 2. Выделение тепловой энергии происходит за счет сложных процессов циркуляции жидкости и возникновения кавитационных процессов в корпусе и трубе. Вода в конус 2 подается насосом под давлением 4-5 атмосфер. Нагретая жидкость поступает либо непосредственно к радиаторам, либо в резервуар, выполняющий роль аккумулятора горячей жидкости, а затем - в радиаторы. При подаче горячей жидкости в помещения высотных зданий рекомендуется использовать подкачивающий насос малой мощности.

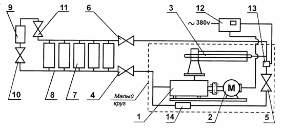
На рисунке 2 приведена схема системы отопления, которая рекомендуется для зданий незначительной высотности. Система состоит из насоса 1, приводимого в действие от электродвигателя 2;теплогенератора 3;кранов 4, 5, 6, 10 и 11;радиаторов 7;трубопровода 8;расширительного бачка 9;автомата управления 12;датчика температуры 13 и фильтра 14.

Работа приведенной системы осуществляется в 2 этапа:сначала жидкость прогревается до заданной температуры,циркулируя по малому кругу, а после этого включается большой круг, т.е. все радиаторы.

В системе отопления рекомендуется использовать радиаторы (конвекторы) объемом 1-3 л. Эффективность работы теплогенератора в районах с холодным климатом может быть существенно выше, если обернуть утеплительными чехлами элементы системы, обеспечивающие работу по малому кругу циркуляции.

Отопительная система работает следующим образом. Проводится опрессовка системы под давлением в 1,5 раза выше рабочего. Расширительный бачок и система заполняются профильтрованной жидкостью, открываются все краны и система прокачивается с целью удаления воздуха. Затем закрывают краны 4, 6, 11 и включают электродвигатель. На табло автомата управления 12 устанавливают желательный диапазон изменения температур. Достижение максимальной температуры свидетельствует о готовности к включению всех радиаторов. Для этого открывают краны 4 и 6, не выключая электродвигателя, и горячая вода начинает циркулировать по большому кругу. При достижении максимальной температуры автомат управления отключает электродвигатель и начинается цикл охлаждения. Когда температура в системе снизится до заданной минимальной, автомат включает электродвигатель.

Разработана также схема отопления для зданий большой этажности. Генератор тепла является достаточно простым в конструктивном исполнении и экологически чистым источником тепла, требует минимальных трудозатрат в эксплуатации.



Рис. 1 Теплогенератор





Рис. 2 Схема системы отопления

Преимущества перед известными аналогами

Генератор тепла является экологически чистым источником тепла и простым в конструктивном исполнении

Стадия освоения

Внедрено в производство

Результаты испытаний

Технология обеспечивает получение стабильных результатов

Технико-экономический эффект

Обеспечен на 100 % стабильный обогрев помещений в заданных диапазонах температур

Возможность передачи за рубеж

За рубеж не передаётся

Дата поступления материала

05.09.2006

Инновации и люди

У павильонов Уральской выставки «ИННОВАЦИИ 2010» (г. Екатеринбург, 2010 г.)

Мероприятия на выставке "Инновации и инвестиции - 2008" (Югра, 2008 г.)

Открытие выставки "Малый бизнес. Инновации. Инвестиции" (г. Магнитогорск, 2007 г.)

Демонстрация разработок на выставке "Малый бизнес. Инновации. Инвестиции" (г. Магнитогорск, 2007 г.)